Zum Hauptinhalt springen

141F Einsteckschloss für Rohrrahmentüren mit Fallensperre

Slider überspringen
  • Einsteckschloss für Rohrrahmentüren mit Fallensperre
  • Einsteckschloss für Rohrrahmentüren mit Fallensperre
  • Einsteckschloss für Rohrrahmentüren mit Fallensperre
Einsteckschloss für Rohrrahmentüren mit Fallensperre
  • Einsteckschloss für Rohrrahmentüren mit Fallensperre
  • Einsteckschloss für Rohrrahmentüren mit Fallensperre
  • Einsteckschloss für Rohrrahmentüren mit Fallensperre

Ende des Sliders

  • DIN Richtung: DL / DR
  • Entfernung: 92 mm
  • Funktion: Die Fallensperre wird automatisch nach Türschließung aktiviert. Da die Falle erst nach 2 mm Hub gesperrt wird, ist die Kombination mit handelsüblichen E-Öffnern nur für nach innen öffnende Türen mit asymmetrischen Profilaufbau möglich.
  • Riegeltour: 1-tourig
  • Verwendung: Rohrrahmentüren aus Aluminium und Stahl

Art.-Nr. 141F

Fachhändler finden

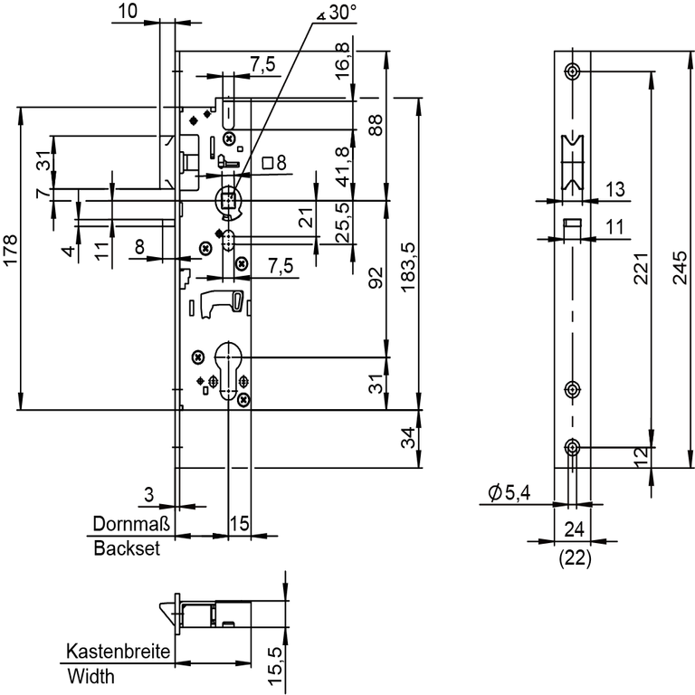
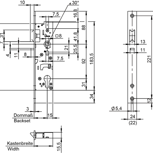
Anforderung gemäß DIN 18251-2 Klasse 2
Funktion Die Fallensperre wird automatisch nach Türschließung aktiviert. Da die Falle erst nach 2 mm Hub gesperrt wird, ist die Kombination mit handelsüblichen E-Öffnern nur für nach innen öffnende Türen mit asymmetrischen Profilaufbau möglich.
Verwendung Rohrrahmentüren aus Aluminium und Stahl

DIN RichtungDL / DR
Dornmaß30, 35, 40, 45, 65 mm
Entfernung92 mm
Falle umlegbarNein
FallenartPrismafalle
Fallenausschluss10 mm
FallensperreJa
Flachstulp (Standardausführung)24 x 3 mm
Hinterdornmaß15 mm
Hinweis U-StulpAlle U-Stulpen werden mit Endkappen geliefert, Bei U-Stulpen ändert sich das Dornmaß um -1 mm
KastenbreiteDornmaß + 15 mm
Kastenhöhe183,5 mm
KastenmaterialStahl verzinkt
Kastentiefe15,5 mm
Nussdrehwinkel30°
Nussvierkant8, 9, 10 mm
Richtungsangabe erforderlichJa
Riegeltour1-tourig
Stulplängen245 mm
StulpmaterialEdelstahl rostfrei / Eisen verzinkt
U-Stulp (Standardausführung)24 x 6 mm
WechselfunktionJa
ZylinderlochungProfilzylinder / Schweizer Rundzylinder
Serie141F

12

Ergebnisse gefunden

Anzeigen pro Seite

BeschreibungSpracheDateigrößeDateityp
Brochure Locks for metal frame doors en 5.59 MBpdfDownload
Prospekt Rohrrahmenschlösser de 5.59 MBpdfDownload
Prospekt Renovierungsschlösser de 6.79 MBpdfDownload
Umwelt Produktdeklaration EPD pl 690.98 KBpdfDownload
Environmental Product Declaration EPD en 576.50 KBpdfDownload
Umwelt Produktdeklaration EPD de 690.98 KBpdfDownload
Verwendung der Schlösser 1441 / 141F mit Elekrozaczep ET 30n pl 405.76 KBpdfDownload
Use of locks 1441 / 141F with electric strikes en 405.76 KBpdfDownload
Verwendung der Schlösser 1441 / 141F mit E-Öffnern de 405.76 KBpdfDownload
141f-produktfoto.png73.88 KBpngDownload
141f-reno-produktfoto.png34.35 KBpngDownload
141f-techzeichnung.png84.83 KBpngDownload
Falle und Steuerfalle vorstehend (optional)5 mm
Flachstulp (Sonderausführung)20 x 3, 22 x 3 mm
Nussüberwachung (inkl. 8 m Kabel)Optional
RenovierungsstulpOptional (380 mm, ohne Anschraublöcher)
U-Stulp (Sonderausführung)22 x 6 mm